时间:2018-10-16
作者:索瑞德
阅读 7717次
三相不平衡:是指在电力系统中三相电流(或电压)幅值不一致,且幅值差超过规定范围。配电变压器是低压电网的供电主设备,当其在三相负载不平衡工况下运行时,对配电网供电安全、供电质量和经济运行产生不良的影响。
三相不平衡问题不仅会增加配电变压器电能损耗,降低其出力、增加线损,导致其温度升高、缩短使用寿命,还会使中线点发生位移,造成配电变压器三相电压不对称,从而引发事故;同时还可能导致线路的电能损耗增加,影响电表准确度。
三相不平衡引起的常见现象

这不,国网公司也高度重视关于开展配电台区三相负荷不平衡问题治理工作,曾多次发文给出指导意见。


1.均匀分布负荷:即将A、B、C三相的负荷分布均匀。客观条件限制,一般很难实现。
2.增加短路容量:这种方法要将负荷接到更高的电压等级上供电,承受的电压范围不大,所以此方法不实际。
3.电感与电容组合调整:这种方法需要投入笨重的电感电容,维护率高,接法复杂,一旦不合理就不能达到治理效果。
4.全控型智能电能质量优化装置SSPC。专用于提升配电台区电能质量的新型电力电子装置。该装置可有效补偿三相不平衡,双向快速调节无功功率,实时稳定系统电压。与国网“低电压”排查治理的管理方针和技术原则完全吻合。
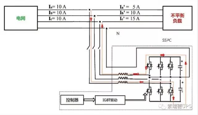
三相不平衡补偿原理
SSPC开启后,通过外接电流互感器(CT)实时检测系统电流,并将系统电流信息发送给内部控制器进行处理分析,以判断系统是否处于不平衡状态,同时计算出达到平衡状态时各相所需转换的电流值,然后将信号发送给内部IGBT并驱动其动作,将不平衡电流从电流大的相转移到电流小的相,最后达到三相平衡状态。

电压支撑原理
SSPC对补偿点电压进行采样,将电压信息传递给内部DSP,以判断补偿点电压是否超过设定值,当电压超过调压上线(Umax)时,SSPC输出感性电流,降低电压;当电压低于调压下线(Umax)时,SSPC输出电容性电流,提升电压,最终使各相电压稳定在正常范围内。

无功补偿原理
三相负荷不平衡自动调节装置开启后通过外部电流互感器(CT),实时检测负载电流,并通过内部DSP计算来分析负载电流的无功含量,然后根据设置值来控制PWM信号发生器发出控制信号给内部IGBT使逆变器产生满足要求的无功补偿电流,最终实现动态无功补偿的目的。

近日,索瑞德三相不平衡优化装置成功入驻辽宁国网,为国家电网系统电能质量提供安全保障。

如下图,治理前后的效果对比

索瑞德SSPC系列三相不平衡的技术优势
索瑞德SSPC系列产品优势

hth华体会体育官网入口是一家专业从事于电力能源领域产品研发与生产的高新技术企业,通过多年的积累与发展索瑞德现已成为国内外电源行业的领航者,产品种类最多,最具规模的领军型高科技企业之一。主要产品有:UPS不间断电源、电力及工业型专用电源、通信专用电源、数据中心解决方案、电能质量产品、太阳能光伏发电系统、电动汽车充电桩等绿色能源产品。
索瑞德资质:
■国家级高新技术企业
■中国UPS电源十强企业
■广东省著名商标品牌
■深圳市宝安区质量进步奖
■标准化良好行为企业
■企业信用评价AAA级信用企业
■全系列产品通过泰尔、节能、开普、CE认证
■重合同守信用奖
■三标认证企业(ISO9001、ISO14001、OHS18001)
■中国移动、国家电网及中石油入围合格供应商
邮箱:E-mail:hb@
电话:0755-81495850/51/52
客服热线:400-888-8888